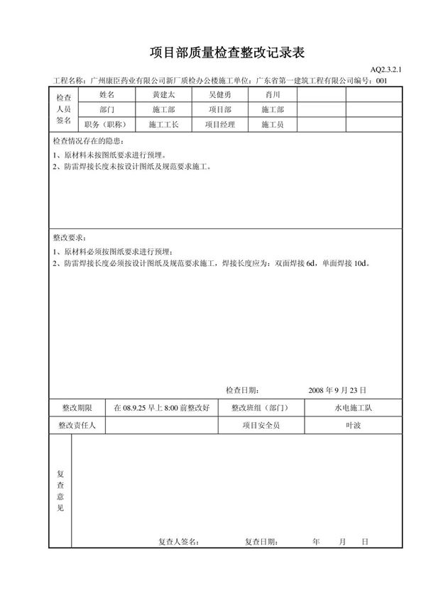
项目部质量检查整改记录表用于详细记录在项目施工过程中发现的质量问题、整改措施及完成情况。该表格由质量检查人员填写,经相关责任人确认后存档,作为项目质量管理的重要依据。通过定期检查与整改,确保施工质量符合设计要求和相关规范标准,有效预防质量事故的发生。

项目部质量检查整改记录表用于详细记录在项目施工过程中发现的质量问题、整改措施及完成情况。该表格由质量检查人员填写,经相关责任人确认后存档,作为项目质量管理的重要依据。通过定期检查与整改,确保施工质量符合设计要求和相关规范标准,有效预防质量事故的发生。

声明:资源收集自网络无法详细核验或存在错误,仅为个人学习参考使用,如侵犯您的权益,请联系我们处理。
不能下载?报告错误