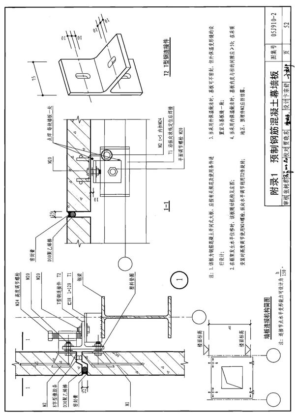
国标图集05J910-2《钢结构住宅(二)-建筑标准设计图集》是由中国建筑标准设计研究院组织编制的钢结构住宅建筑标准设计图集。该图集适用于多层和小高层钢结构住宅建筑的设计与施工,主要内容包括钢结构住宅的建筑设计、结构布置、节点构造、围护系统等标准化做法。图集提供了钢结构住宅的典型平面布置方案、立面造型示例以及相关构造详图,为钢结构住宅的标准化设计和工业化建造提供了技术依据。电子版图集便于设计人员查阅和使用,可提高设计效率和质量。

国标图集05J910-2《钢结构住宅(二)-建筑标准设计图集》是由中国建筑标准设计研究院组织编制的钢结构住宅建筑标准设计图集。该图集适用于多层和小高层钢结构住宅建筑的设计与施工,主要内容包括钢结构住宅的建筑设计、结构布置、节点构造、围护系统等标准化做法。图集提供了钢结构住宅的典型平面布置方案、立面造型示例以及相关构造详图,为钢结构住宅的标准化设计和工业化建造提供了技术依据。电子版图集便于设计人员查阅和使用,可提高设计效率和质量。

声明:资源收集自网络无法详细核验或存在错误,仅为个人学习参考使用,如侵犯您的权益,请联系我们处理。
不能下载?报告错误