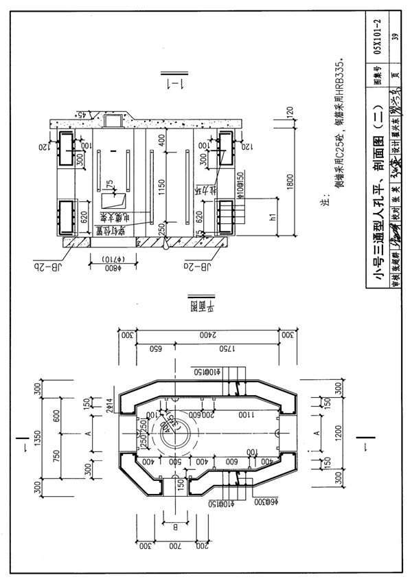
国家建筑标准设计参考图集05X101-2《地下通信线缆敷设建筑图集》是由中国建筑标准设计研究院组织编制的一套技术标准图集。该图集主要针对地下通信线缆的敷设工程,提供了详细的设计方案、施工方法和安装要求,适用于各类建筑工程项目中地下通信线缆的规划与施工。图集内容包括地下通信线缆的敷设方式、管道布置、人孔与手孔设计、线缆保护措施以及相关构造详图等,为工程设计、施工和验收提供了标准化依据。通过采用本图集,可确保地下通信线缆敷设工程的质量和安全,同时提高施工效率。本图集适用于新建、改建和扩建的民用与工业建筑地下通信线缆敷设工程,可供设计单位、施工单位和监理单位参考使用。
