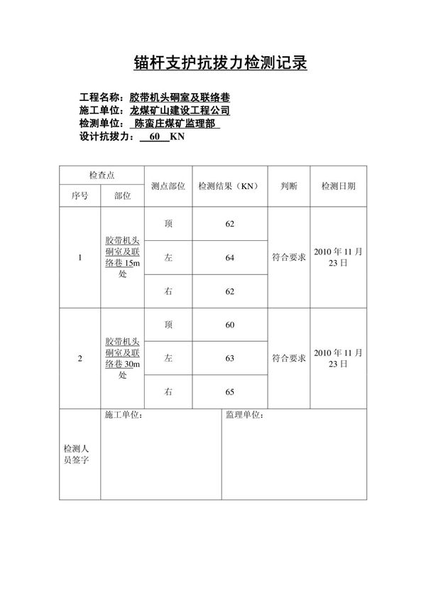
锚杆拉拔力记录是土木工程和岩土工程中用于评估锚杆锚固性能的重要技术文档。它详细记录了锚杆在拉拔试验过程中的受力情况、位移变化以及最终破坏模式等关键数据。通过分析这些数据,可以判断锚杆的承载能力、锚固效果以及是否满足设计要求。该记录通常包括工程名称、锚杆编号、试验日期、设计拉拔力、实际拉拔力、位移量、试验人员等信息,是工程质量控制和验收的重要依据。规范的锚杆拉拔力记录有助于确保工程安全,并为后续施工提供可靠的技术参考。

锚杆拉拔力记录是土木工程和岩土工程中用于评估锚杆锚固性能的重要技术文档。它详细记录了锚杆在拉拔试验过程中的受力情况、位移变化以及最终破坏模式等关键数据。通过分析这些数据,可以判断锚杆的承载能力、锚固效果以及是否满足设计要求。该记录通常包括工程名称、锚杆编号、试验日期、设计拉拔力、实际拉拔力、位移量、试验人员等信息,是工程质量控制和验收的重要依据。规范的锚杆拉拔力记录有助于确保工程安全,并为后续施工提供可靠的技术参考。
