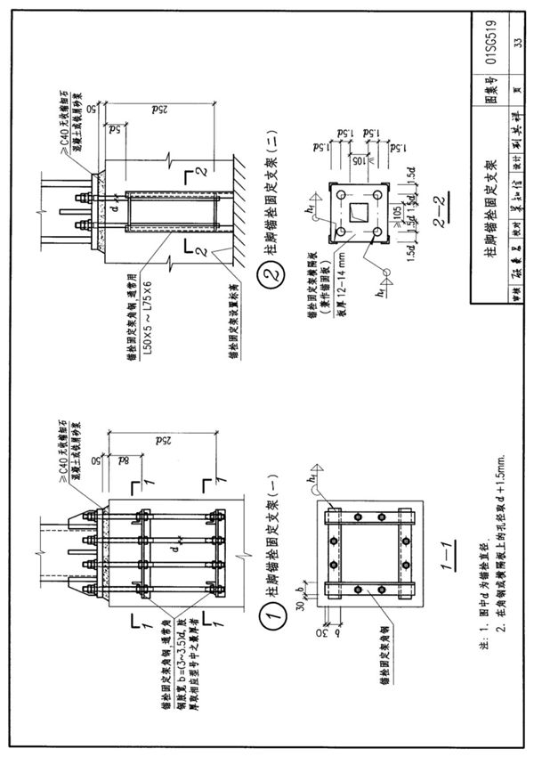
《国标图集01SG519多高层民用建筑钢结构节点构造详图》是由中国建筑标准设计研究院组织编制的国家标准图集。该图集主要针对多高层民用建筑钢结构工程中的各类节点构造,提供了详细的设计详图和施工要求。图集内容涵盖了钢结构连接节点、梁柱节点、支撑节点、柱脚节点等常见构造形式,并给出了相应的节点计算参数、构造措施和施工工艺要求。这些详图可直接用于工程设计、施工和验收,为钢结构建筑的安全性和可靠性提供了技术保障。01SG519图集适用于抗震设防烈度6-9度地区的多高层民用建筑钢结构工程,可供设计、施工、监理和质检人员参考使用。该图集的出版对规范钢结构节点设计、提高工程质量具有重要意义。
