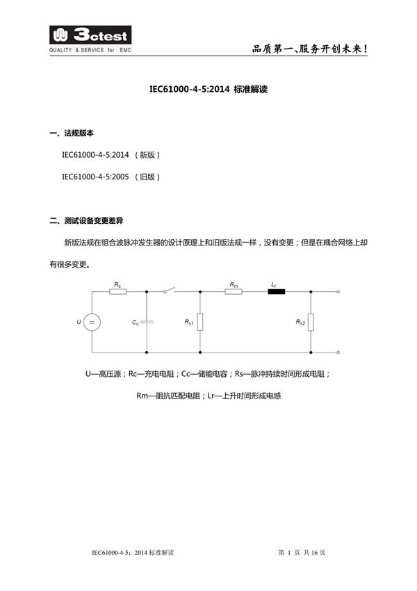
IEC61000-4-5-2014是国际电工委员会(IEC)发布的一项电磁兼容性(EMC)测试标准。该标准全称为《电磁兼容性(EMC)第4-5部分:测试和测量技术—浪涌(冲击)抗扰度试验》,主要规定了电气和电子设备对浪涌(冲击)干扰的抗扰度测试方法和要求。该标准适用于评估设备在遭受来自电源线、信号线或其他端口的浪涌干扰时的性能表现。浪涌干扰通常由雷电感应、电力系统切换或其他瞬态事件引起。标准中详细规定了测试波形、测试等级、测试设备、测试布置以及测试程序等内容。IEC61000-4-5-2014是电磁兼容性测试领域的重要标准,被广泛应用于工业、商业和住宅等领域的电子电气设备测试中,帮助确保设备在真实环境中能够抵御浪涌干扰并正常工作。
