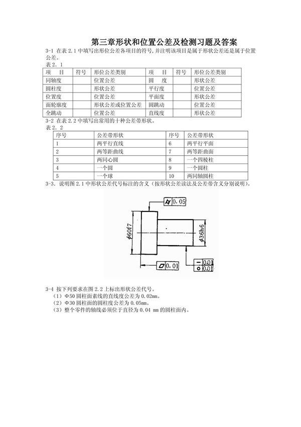
《形状和位置公差及检测习题及答案》是一本专门针对机械设计与制造领域的学习辅助资料。本书围绕形状公差和位置公差的核心概念,系统性地整理了大量典型习题,并附有详细的解答过程,旨在帮助读者深入理解公差标注原则、检测方法以及实际应用技巧。内容涵盖直线度、平面度、圆度、平行度、垂直度、同轴度等常见公差项目,同时结合测量工具与检测技术,强化理论与实践的结合。适用于高校机械类专业学生课程练习、工程技术人员技能提升,也可作为相关职业资格考试的备考参考资料。通过习题训练,读者能够快速掌握公差设计与检测的关键要点,提高解决实际工程问题的能力。
