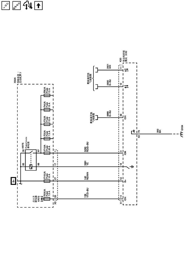
2010款上海通用别克英朗空调系统电路图手册是一本专为维修技术人员和汽车爱好者设计的实用参考资料。该手册详细展示了英朗车型空调系统的完整电路图,包括压缩机控制、风扇电机、温度传感器、控制面板等关键部件的电气连接方式。通过清晰的线路标识和元件符号,帮助用户快速定位故障点,理解系统工作原理。手册内容与实车电路完全对应,可有效指导空调系统的诊断、维修和改装工作。适用于日常保养、故障排查及专业维修场景,是别克英朗空调系统维护的必备技术资料。

2010款上海通用别克英朗空调系统电路图手册是一本专为维修技术人员和汽车爱好者设计的实用参考资料。该手册详细展示了英朗车型空调系统的完整电路图,包括压缩机控制、风扇电机、温度传感器、控制面板等关键部件的电气连接方式。通过清晰的线路标识和元件符号,帮助用户快速定位故障点,理解系统工作原理。手册内容与实车电路完全对应,可有效指导空调系统的诊断、维修和改装工作。适用于日常保养、故障排查及专业维修场景,是别克英朗空调系统维护的必备技术资料。

声明:资源收集自网络无法详细核验或存在错误,仅为个人学习参考使用,如侵犯您的权益,请联系我们处理。
不能下载?报告错误