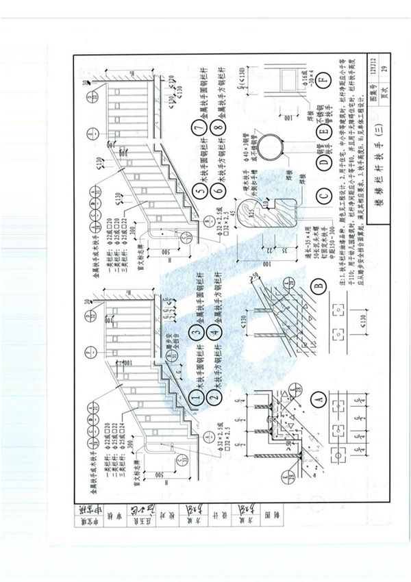
12YJ12图集-无障碍设施是12系列建筑标准设计图集中的重要组成部分,该图集依据国家现行无障碍设计规范编制,为建筑设计、施工及验收提供了标准化参考。本图集详细规定了无障碍设施的构造做法、材料选用及细部尺寸,涵盖无障碍坡道、盲道、无障碍卫生间、电梯、扶手等关键内容,适用于各类公共建筑、居住建筑及城市道路的无障碍设计与施工。电子版图集便于查阅和携带,可供建筑师、工程师及相关从业人员下载使用,确保无障碍设施的设计与建设符合国家标准,提升建筑的通用性和包容性。如需下载,请通过正规渠道获取,确保文件完整性和版权合规性。
