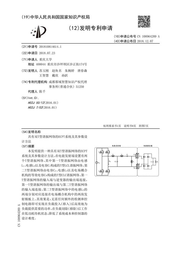
具有双T型谐振网络的ECPT系统是一种高效的无线电能传输技术,通过双T型谐振网络优化能量传输性能。该系统利用谐振原理提高传输效率和稳定性,适用于中短距离无线供电场景。参数设计方法包括谐振频率匹配、阻抗优化和耦合系数调整,确保系统在负载变化时保持高效工作。该技术广泛应用于工业设备、医疗电子和消费电子产品等领域,具有低电磁干扰和高可靠性的特点。

具有双T型谐振网络的ECPT系统是一种高效的无线电能传输技术,通过双T型谐振网络优化能量传输性能。该系统利用谐振原理提高传输效率和稳定性,适用于中短距离无线供电场景。参数设计方法包括谐振频率匹配、阻抗优化和耦合系数调整,确保系统在负载变化时保持高效工作。该技术广泛应用于工业设备、医疗电子和消费电子产品等领域,具有低电磁干扰和高可靠性的特点。

声明:资源收集自网络无法详细核验或存在错误,仅为个人学习参考使用,如侵犯您的权益,请联系我们处理。
不能下载?报告错误