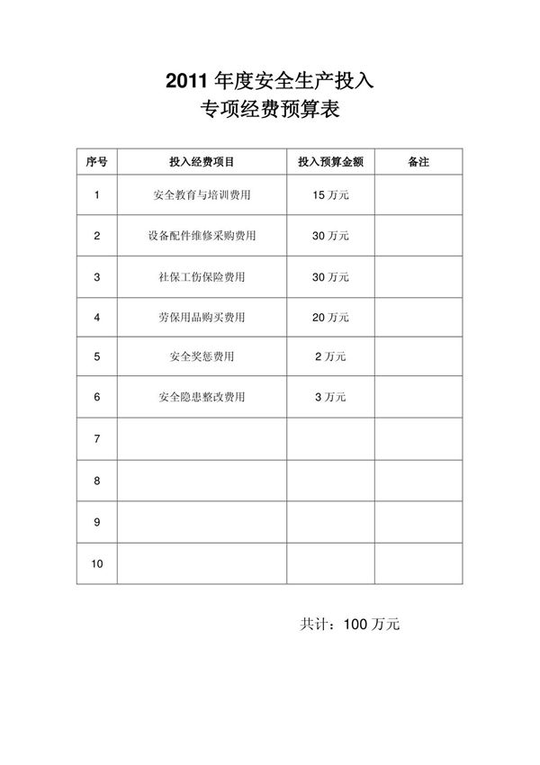
安全生产专项经费预算表是为了确保企业安全生产工作的顺利开展而制定的财务计划。该预算表详细列出了企业在安全生产方面所需的各项费用,包括但不限于安全设备购置、安全培训、隐患排查治理、应急演练、安全防护用品配备等支出项目。通过科学合理地编制安全生产专项经费预算,企业可以明确安全生产投入的资金需求,保障安全生产措施的有效落实,防范和减少生产安全事故的发生,为企业持续健康发展提供安全保障。预算表的编制应遵循"预防为主、安全第一"的原则,结合企业实际情况和安全生产需求,确保经费使用的针对性和有效性。

安全生产专项经费预算表是为了确保企业安全生产工作的顺利开展而制定的财务计划。该预算表详细列出了企业在安全生产方面所需的各项费用,包括但不限于安全设备购置、安全培训、隐患排查治理、应急演练、安全防护用品配备等支出项目。通过科学合理地编制安全生产专项经费预算,企业可以明确安全生产投入的资金需求,保障安全生产措施的有效落实,防范和减少生产安全事故的发生,为企业持续健康发展提供安全保障。预算表的编制应遵循"预防为主、安全第一"的原则,结合企业实际情况和安全生产需求,确保经费使用的针对性和有效性。

声明:资源收集自网络无法详细核验或存在错误,仅为个人学习参考使用,如侵犯您的权益,请联系我们处理。
不能下载?报告错误