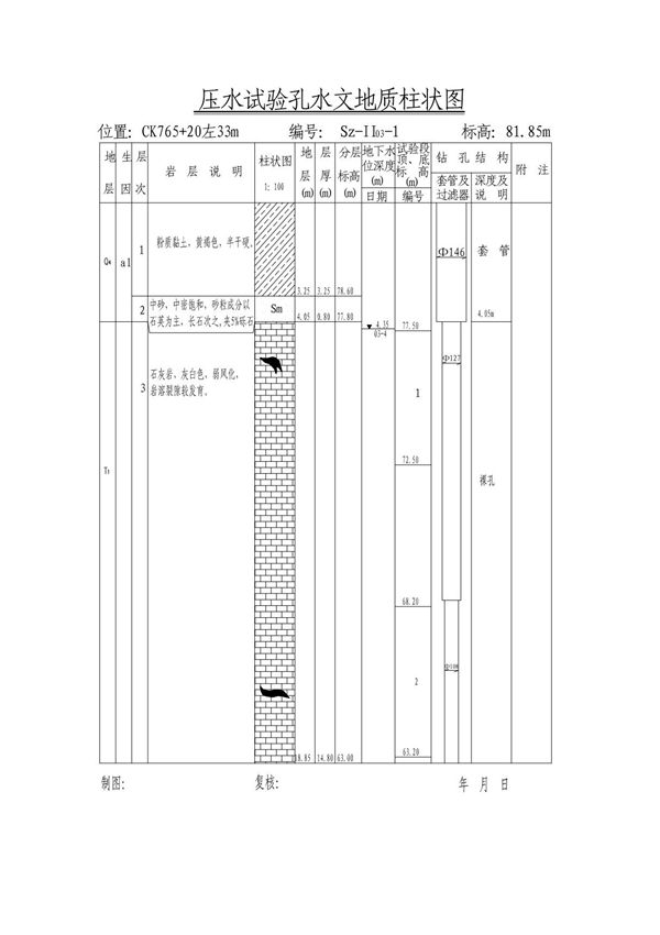
压水试验孔水文地质柱状图是一种用于展示钻孔水文地质特征的图表。它通过柱状图的形式直观地反映钻孔揭露的地层岩性、厚度、裂隙发育情况以及压水试验结果等关键信息。该图通常包括地层深度、岩性描述、裂隙发育程度、渗透性参数(如单位吸水量、渗透系数等)以及试验段划分等内容。压水试验孔水文地质柱状图是水文地质勘察中的重要成果之一,为评价岩体渗透性、分析地下水运动规律以及工程设计提供基础依据。该图具有直观、综合的特点,便于技术人员快速了解钻孔水文地质条件。

压水试验孔水文地质柱状图是一种用于展示钻孔水文地质特征的图表。它通过柱状图的形式直观地反映钻孔揭露的地层岩性、厚度、裂隙发育情况以及压水试验结果等关键信息。该图通常包括地层深度、岩性描述、裂隙发育程度、渗透性参数(如单位吸水量、渗透系数等)以及试验段划分等内容。压水试验孔水文地质柱状图是水文地质勘察中的重要成果之一,为评价岩体渗透性、分析地下水运动规律以及工程设计提供基础依据。该图具有直观、综合的特点,便于技术人员快速了解钻孔水文地质条件。
