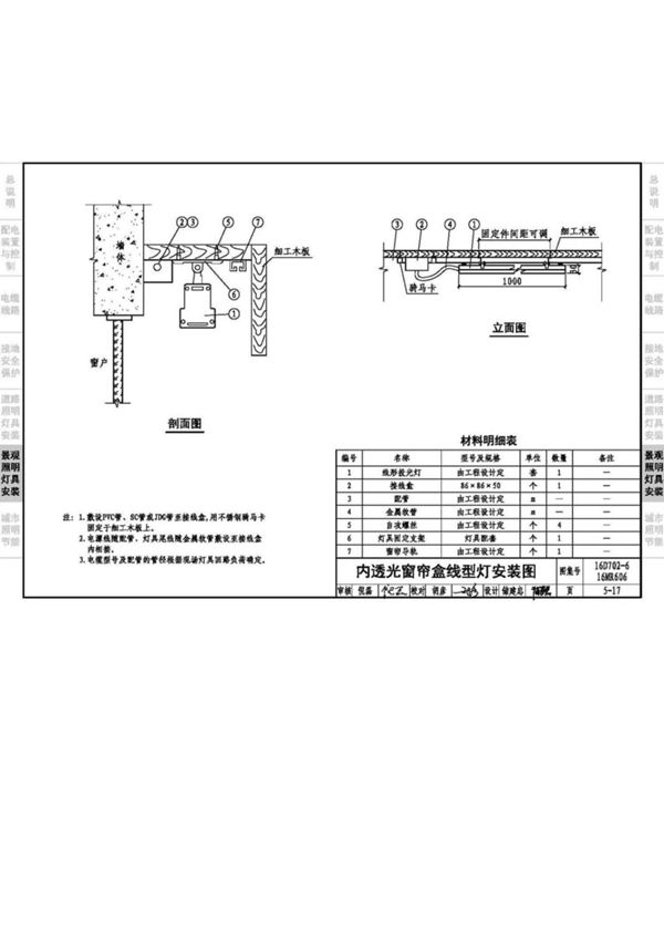
《城市照明设计与施工国家建筑标准设计图集》16D702-616MR606第5部分主要针对城市照明工程中的配电与控制相关内容进行详细规范。该部分重点涵盖了城市道路、广场、公园等公共场所照明系统的配电方案设计、控制方式选择及设备安装要求,包括但不限于配电箱(柜)的选型与布置、电缆敷设方式、接地保护措施、智能控制系统设计等技术要点。图集提供了标准化的设计图示和施工安装详图,为城市照明工程的配电系统设计、设备安装及质量控制提供了权威技术依据,适用于新建、改建和扩建的城市照明工程项目。本部分内容与图集其他章节配套使用,共同构成完整的城市照明工程技术标准体系。
