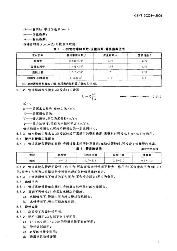
GBT20203-2006《农田低压管道输水灌溉工程技术规范》是中国国家标准,由国家质量监督检验检疫总局和国家标准化管理委员会联合发布。该标准规定了农田低压管道输水灌溉工程的设计、施工、验收和运行管理的技术要求,适用于农田灌溉工程中的低压管道输水系统。该标准的主要内容包括:术语和定义、工程设计、材料与设备、施工技术要求、工程验收、运行与维护等。其目的是确保农田低压管道输水灌溉工程的安全性、可靠性和经济性,提高水资源利用效率,促进农业节水灌溉技术的发展。GBT20203-2006的实施有助于规范农田灌溉工程的建设和管理,推动农业现代化和可持续发展。该标准适用于农田灌溉工程的设计单位、施工单位、监理单位以及相关管理部门参考使用。
