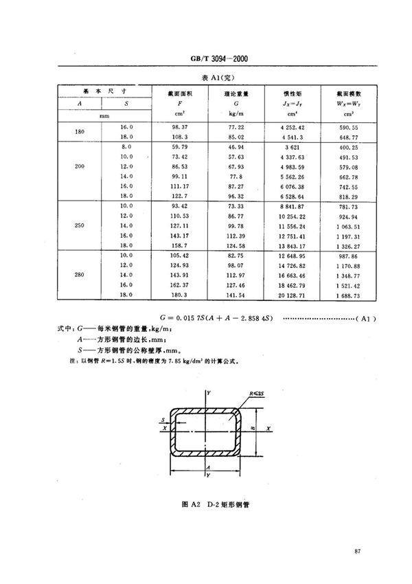
GBT3094-2000是中国国家标准中关于冷拔异型钢管的技术规范。该标准规定了冷拔异型钢管的分类、尺寸、外形、重量、技术要求、试验方法、检验规则、包装、标志及质量证明书等内容。适用于冷拔工艺生产的各种异型截面钢管,主要用于机械结构、建筑装饰和其他工程领域。标准旨在确保产品质量和性能满足行业应用需求,为生产和使用提供统一的技术依据。

GBT3094-2000是中国国家标准中关于冷拔异型钢管的技术规范。该标准规定了冷拔异型钢管的分类、尺寸、外形、重量、技术要求、试验方法、检验规则、包装、标志及质量证明书等内容。适用于冷拔工艺生产的各种异型截面钢管,主要用于机械结构、建筑装饰和其他工程领域。标准旨在确保产品质量和性能满足行业应用需求,为生产和使用提供统一的技术依据。

声明:资源收集自网络无法详细核验或存在错误,仅为个人学习参考使用,如侵犯您的权益,请联系我们处理。
不能下载?报告错误