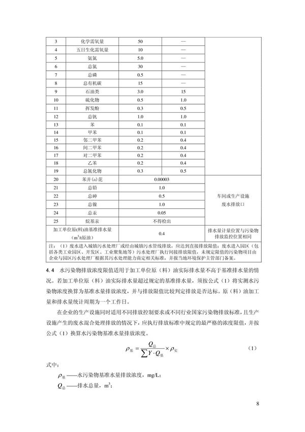
《GB31570-2015石油炼制工业污染物排放标准》是由中国环境保护部和国家质量监督检验检疫总局联合发布的国家标准,于2015年4月16日发布,2015年7月1日正式实施。该标准针对石油炼制工业的污染物排放制定了严格的限值和管理要求,旨在控制大气污染物和水污染物的排放,减少对环境的影响。标准规定了石油炼制企业在生产过程中产生的二氧化硫、氮氧化物、颗粒物、挥发性有机物(VOCs)等大气污染物,以及化学需氧量(COD)、氨氮、石油类等水污染物的排放限值。同时,标准还明确了污染物监测和监督管理要求,推动石油炼制行业采用清洁生产技术,提升污染治理水平,促进绿色可持续发展。该标准的实施对改善环境质量、保护生态环境具有重要意义。
