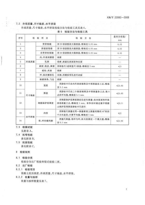
预制混凝土衬砌管片-GBT22082-2008是中国国家标准,主要规定了预制混凝土衬砌管片的技术要求、试验方法、检验规则以及标志、包装、运输和贮存等方面的内容。该标准适用于隧道工程、地下工程等使用的预制混凝土衬砌管片的生产和验收,确保产品质量和工程安全。通过统一的技术规范,GBT22082-2008为预制混凝土衬砌管片的设计、制造和应用提供了重要依据,有助于提升工程质量和行业标准化水平。

预制混凝土衬砌管片-GBT22082-2008是中国国家标准,主要规定了预制混凝土衬砌管片的技术要求、试验方法、检验规则以及标志、包装、运输和贮存等方面的内容。该标准适用于隧道工程、地下工程等使用的预制混凝土衬砌管片的生产和验收,确保产品质量和工程安全。通过统一的技术规范,GBT22082-2008为预制混凝土衬砌管片的设计、制造和应用提供了重要依据,有助于提升工程质量和行业标准化水平。

声明:资源收集自网络无法详细核验或存在错误,仅为个人学习参考使用,如侵犯您的权益,请联系我们处理。
不能下载?报告错误