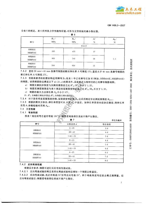
国家标准GB1499.2-2007《钢筋混凝土用钢第二部分:热轧带肋钢筋》是由中华人民共和国国家质量监督检验检疫总局和中国国家标准化管理委员会联合发布的重要技术标准。该标准规定了钢筋混凝土用热轧带肋钢筋的分类、代号、尺寸、外形、重量及允许偏差、技术要求、试验方法、检验规则、包装、标志和质量证明书等内容,适用于钢筋混凝土结构用热轧带肋钢筋的生产、检验和使用。该标准对钢筋的力学性能(如屈服强度、抗拉强度、伸长率等)、工艺性能(如弯曲性能)以及表面质量提出了明确要求,以确保钢筋在建筑工程中的安全性和可靠性。GB1499.2-2007的发布和实施,进一步规范了我国热轧带肋钢筋的生产和应用,对提升建筑工程质量、保障结构安全具有重要意义。
