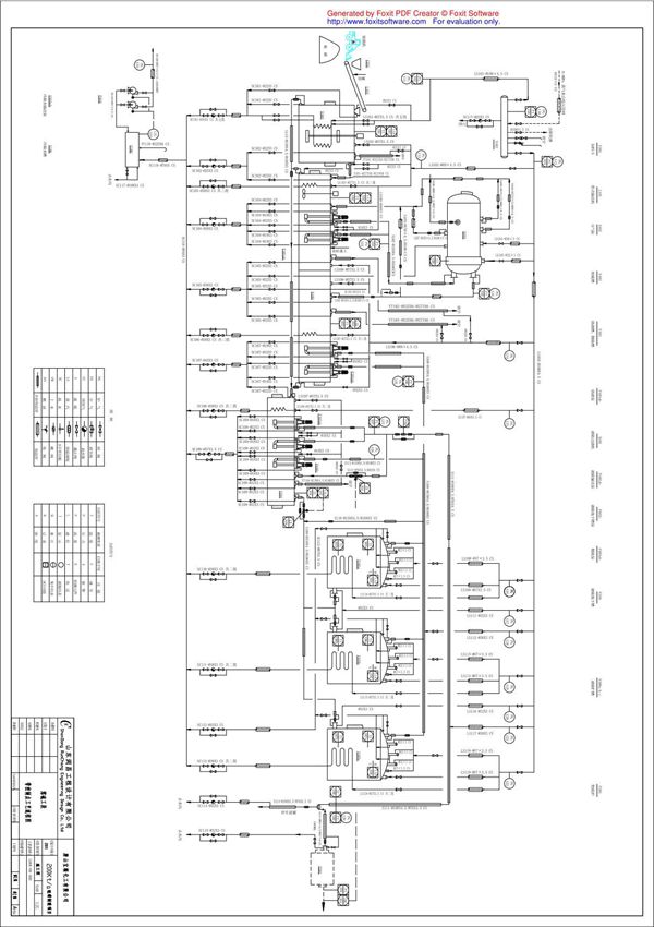
硫酸流程图(PID)简介硫酸生产流程图(PID)是一种详细展示硫酸制造工艺的工程图纸。它通过标准化的图形符号和标注,清晰呈现了硫酸生产过程中涉及的设备、管道、阀门、仪表和控制点等关键要素。该流程图通常涵盖硫磺燃烧、二氧化硫转化、三氧化硫吸收等主要工段,并详细标注了物料流向、操作参数(如温度、压力、流量)以及安全联锁装置。PID图是工厂设计、施工、操作和维护的重要依据,确保硫酸生产的高效性和安全性。工程师和技术人员可通过PID图快速理解工艺逻辑,优化生产操作,并协助故障诊断与系统改进。

硫酸流程图(PID)简介硫酸生产流程图(PID)是一种详细展示硫酸制造工艺的工程图纸。它通过标准化的图形符号和标注,清晰呈现了硫酸生产过程中涉及的设备、管道、阀门、仪表和控制点等关键要素。该流程图通常涵盖硫磺燃烧、二氧化硫转化、三氧化硫吸收等主要工段,并详细标注了物料流向、操作参数(如温度、压力、流量)以及安全联锁装置。PID图是工厂设计、施工、操作和维护的重要依据,确保硫酸生产的高效性和安全性。工程师和技术人员可通过PID图快速理解工艺逻辑,优化生产操作,并协助故障诊断与系统改进。

声明:资源收集自网络无法详细核验或存在错误,仅为个人学习参考使用,如侵犯您的权益,请联系我们处理。
不能下载?报告错误