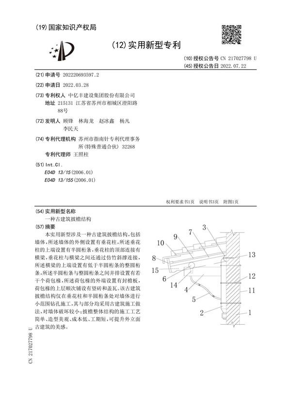
披檐结构是中国传统古建筑中常见的一种屋檐形式,主要用于保护建筑墙体免受雨水侵蚀,同时丰富建筑立面层次。这种结构通常从主屋檐下方延伸而出,通过斗拱或挑梁支撑,形成第二层遮挡。披檐的宽度和倾斜度经过精心设计,既能有效排水,又不会影响室内采光。在北方地区,披檐坡度较陡以利排雪;南方则相对平缓。从构造上看,披檐可分为单檐和重檐两种形式,常见于寺庙、宫殿等重要建筑的次间或廊道位置。其檐口常作雕饰,椽头多施彩绘,既满足功能需求,又体现了传统建筑的艺术性。这种结构反映了古代工匠对建筑防排水系统的智慧处理,是研究中国古建筑技术的重要实例。
