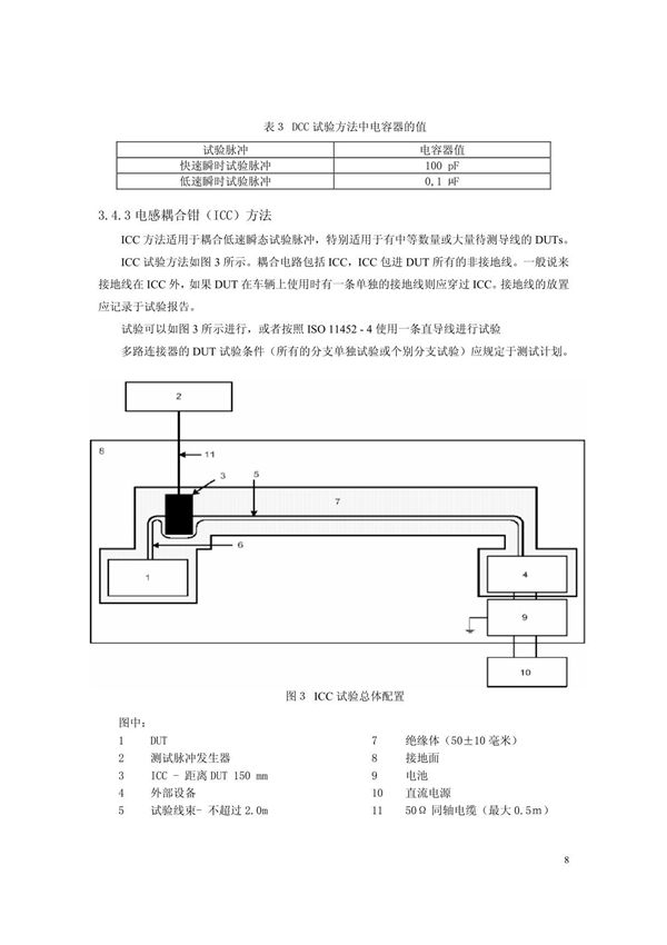
ISO7637-3:2007是国际标准化组织(ISO)发布的汽车电子电磁兼容性(EMC)测试标准之一,属于ISO7637系列标准的第三部分。该标准主要针对汽车电子设备在车辆电气系统中可能遇到的瞬态传导干扰,规定了相应的测试方法和要求。该标准特别关注车辆电气系统中由开关操作、感性负载断开等引起的瞬态脉冲干扰,模拟实际车辆环境中可能出现的各种电气瞬态现象。它为汽车电子设备制造商提供了统一的测试规范,确保设备在车辆复杂电气环境下的可靠性和抗干扰能力。标准内容通常包括测试脉冲波形定义、测试等级划分、测试设备要求、测试布置方法以及性能判据等。通过符合ISO7637-3:2007标准的测试,可以验证汽车电子设备对传导瞬态干扰的耐受能力,是汽车电子EMC设计的重要依据之一。
