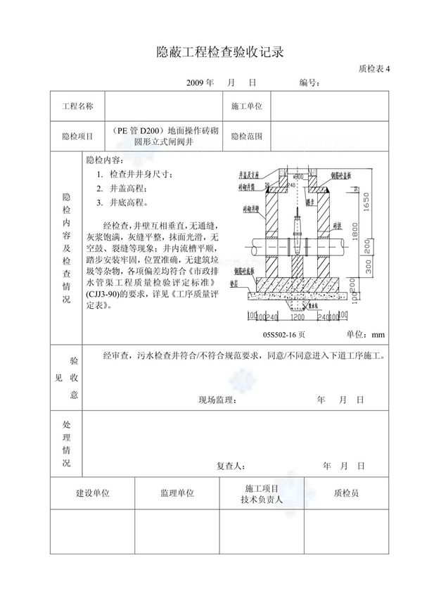
室外给水管道附属构筑物检查井隐检表(05s502)是用于记录和验收给水管道系统中检查井隐蔽工程质量的专用表格。该表格依据相关规范标准设计,主要包含检查井的施工质量、材料规格、尺寸偏差等关键项目的检查内容,确保检查井的施工符合设计要求和使用安全。通过填写此表,可有效监督隐蔽工程的施工质量,为后续管道系统的正常运行提供保障。

室外给水管道附属构筑物检查井隐检表(05s502)是用于记录和验收给水管道系统中检查井隐蔽工程质量的专用表格。该表格依据相关规范标准设计,主要包含检查井的施工质量、材料规格、尺寸偏差等关键项目的检查内容,确保检查井的施工符合设计要求和使用安全。通过填写此表,可有效监督隐蔽工程的施工质量,为后续管道系统的正常运行提供保障。

声明:资源收集自网络无法详细核验或存在错误,仅为个人学习参考使用,如侵犯您的权益,请联系我们处理。
不能下载?报告错误