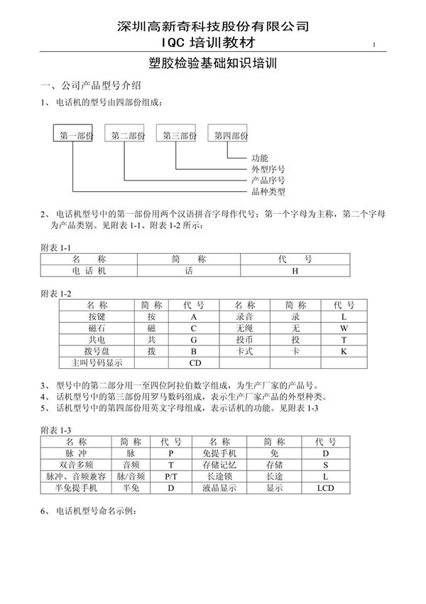
欢迎参加本次IQC(注塑)培训课程。本教材旨在帮助学员掌握注塑原材料及成品的检验标准、方法和流程,确保来料质量符合生产要求。课程内容涵盖注塑工艺基础知识、常见原材料特性、检验项目与标准、测量工具使用、缺陷识别与分析等关键知识点。通过理论讲解与实操练习相结合,学员将能够独立执行注塑件的来料检验工作,并具备初步的质量问题分析与处理能力。本教材适用于质量部门新员工、注塑相关岗位人员及对来料检验流程感兴趣的同仁。希望通过系统学习,大家能提升专业能力,为企业的质量控制贡献力量。如有疑问,请随时向讲师反馈。祝学习顺利!
