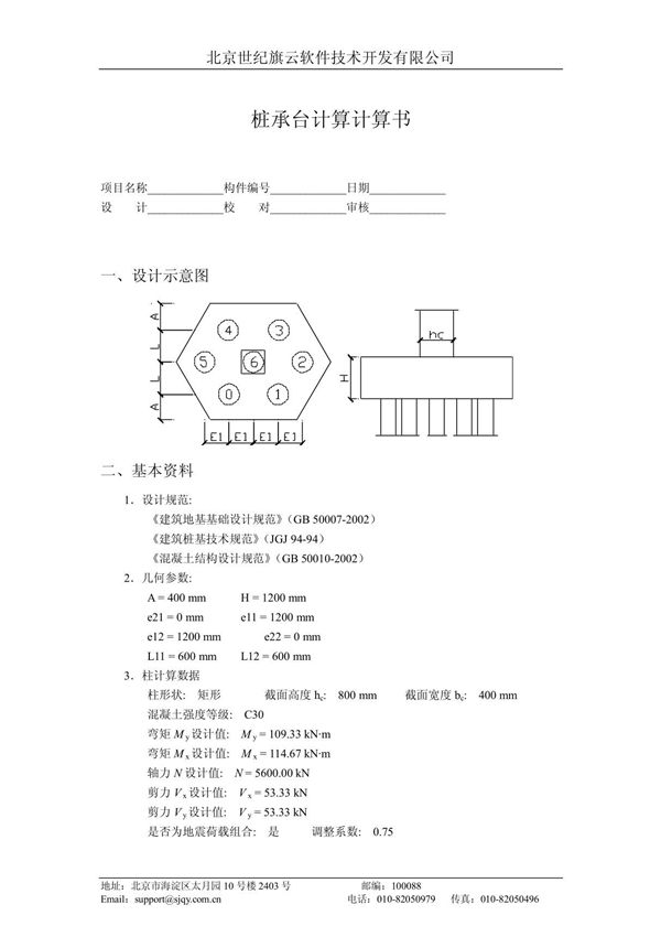
7桩承台计算计算书简介本计算书针对7桩承台进行结构设计及验算,主要内容包括荷载分析、桩基承载力计算、承台抗弯抗剪验算、冲切验算及配筋设计等。依据现行规范(如《建筑桩基技术规范》JGJ94-2008、《混凝土结构设计规范》GB50010-2010),确保承台在竖向力、水平力及弯矩组合工况下的安全性与耐久性。计算过程涵盖内力分配、桩反力校核、承台厚度及配筋率确定,最终提供满足工程要求的合理化设计方案。

7桩承台计算计算书简介本计算书针对7桩承台进行结构设计及验算,主要内容包括荷载分析、桩基承载力计算、承台抗弯抗剪验算、冲切验算及配筋设计等。依据现行规范(如《建筑桩基技术规范》JGJ94-2008、《混凝土结构设计规范》GB50010-2010),确保承台在竖向力、水平力及弯矩组合工况下的安全性与耐久性。计算过程涵盖内力分配、桩反力校核、承台厚度及配筋率确定,最终提供满足工程要求的合理化设计方案。
