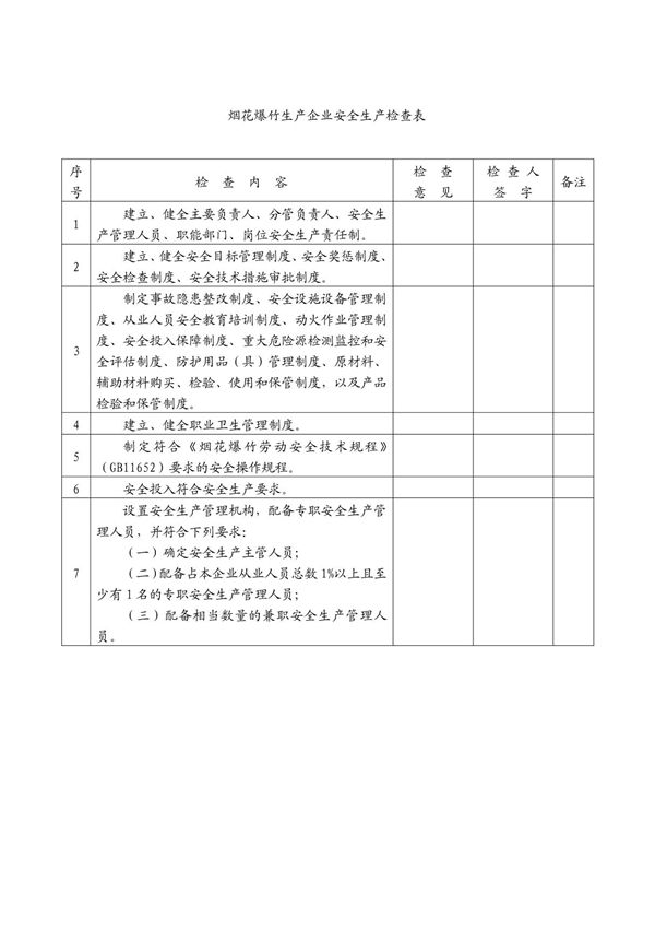
烟花爆竹生产企业安全生产检查表简介烟花爆竹生产属于高危行业,安全生产检查是确保企业合规运营、预防事故的重要手段。本检查表依据国家相关法律法规及行业标准制定,涵盖生产设施、原料储存、操作规范、消防措施、应急预案等关键环节,旨在帮助企业全面排查安全隐患,落实安全生产主体责任,保障员工生命财产安全,防范火灾、爆炸等重大事故。检查表可作为监管部门督查、企业自查的标准化工具,确保生产流程符合安全要求。

烟花爆竹生产企业安全生产检查表简介烟花爆竹生产属于高危行业,安全生产检查是确保企业合规运营、预防事故的重要手段。本检查表依据国家相关法律法规及行业标准制定,涵盖生产设施、原料储存、操作规范、消防措施、应急预案等关键环节,旨在帮助企业全面排查安全隐患,落实安全生产主体责任,保障员工生命财产安全,防范火灾、爆炸等重大事故。检查表可作为监管部门督查、企业自查的标准化工具,确保生产流程符合安全要求。

声明:资源收集自网络无法详细核验或存在错误,仅为个人学习参考使用,如侵犯您的权益,请联系我们处理。
不能下载?报告错误