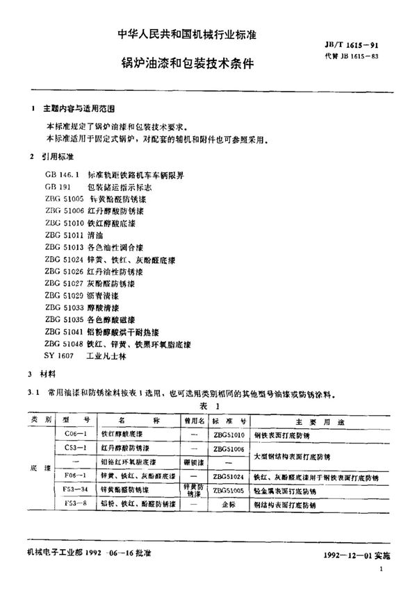
《锅炉油漆和包装技术条件》(JBT1615-1991)是中国机械行业标准,主要规定了锅炉产品的油漆和包装技术要求。该标准适用于锅炉及其零部件的表面处理和包装,旨在确保锅炉在运输和储存过程中具有良好的防腐蚀性能和防护效果。标准详细规定了油漆的种类、施工工艺、涂层质量要求以及包装材料、包装方法等内容,为锅炉制造企业提供了统一的技术规范,以保证产品质量和使用寿命。

《锅炉油漆和包装技术条件》(JBT1615-1991)是中国机械行业标准,主要规定了锅炉产品的油漆和包装技术要求。该标准适用于锅炉及其零部件的表面处理和包装,旨在确保锅炉在运输和储存过程中具有良好的防腐蚀性能和防护效果。标准详细规定了油漆的种类、施工工艺、涂层质量要求以及包装材料、包装方法等内容,为锅炉制造企业提供了统一的技术规范,以保证产品质量和使用寿命。
