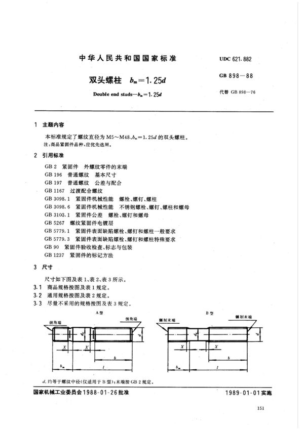
GB898-1988是中华人民共和国国家标准,全称为《双头螺柱》。该标准规定了双头螺柱的型式、尺寸、技术要求、试验方法、检验规则以及标志和包装等内容。双头螺柱是一种两端均有螺纹的紧固件,通常用于连接两个带有通孔的零件,广泛应用于机械、建筑、交通等领域。该标准的制定旨在统一双头螺柱的生产和使用规范,确保产品质量和互换性,促进相关行业的标准化发展。

GB898-1988是中华人民共和国国家标准,全称为《双头螺柱》。该标准规定了双头螺柱的型式、尺寸、技术要求、试验方法、检验规则以及标志和包装等内容。双头螺柱是一种两端均有螺纹的紧固件,通常用于连接两个带有通孔的零件,广泛应用于机械、建筑、交通等领域。该标准的制定旨在统一双头螺柱的生产和使用规范,确保产品质量和互换性,促进相关行业的标准化发展。

声明:资源收集自网络无法详细核验或存在错误,仅为个人学习参考使用,如侵犯您的权益,请联系我们处理。
不能下载?报告错误