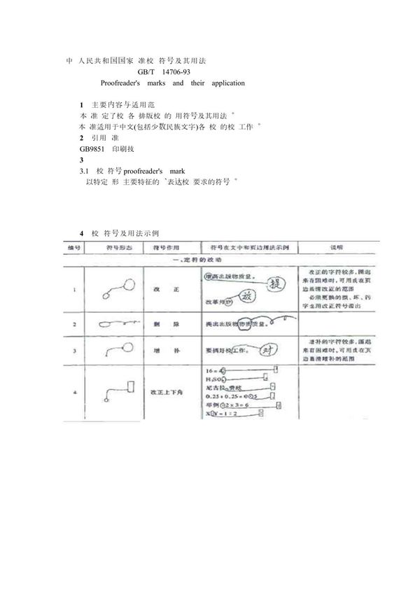
中华人民共和国国家标准《校对符号及其用法》是我国出版、印刷及相关行业进行文稿校对工作时必须遵循的重要规范。该标准统一规定了校对过程中使用的各类符号及其具体用法,确保校对标记的准确性和一致性,有效提高文稿编校质量。标准详细列出了增补、删除、调换、移动等常见校对操作的专用符号,并明确了每个符号的形态、位置及使用场景。这些符号广泛应用于图书、报刊、公文等各类印刷品的校对环节,是编辑、校对人员和排版工作者共同遵守的专业技术语言。通过规范化的校对符号体系,该标准减少了因理解差异导致的修改错误,提升了出版工作效率,对我国出版印刷行业的标准化、规范化发展起到了重要支撑作用。
