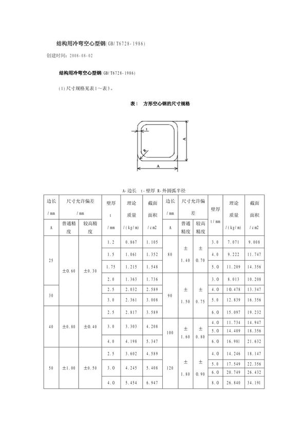
GB6728-1986《结构用冷弯空心型钢》是中国国家标准,规定了结构用冷弯空心型钢的分类、尺寸、外形、重量及允许偏差、技术要求、试验方法、检验规则、包装、标志和质量证明书等内容。该标准适用于建筑、桥梁、车辆、船舶、机械制造等工程结构用冷弯空心型钢。标准旨在确保产品质量,满足工程结构的安全性和可靠性要求。

GB6728-1986《结构用冷弯空心型钢》是中国国家标准,规定了结构用冷弯空心型钢的分类、尺寸、外形、重量及允许偏差、技术要求、试验方法、检验规则、包装、标志和质量证明书等内容。该标准适用于建筑、桥梁、车辆、船舶、机械制造等工程结构用冷弯空心型钢。标准旨在确保产品质量,满足工程结构的安全性和可靠性要求。
