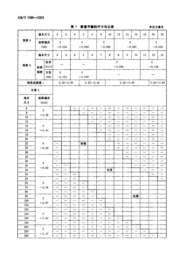
国家标准GBT1096-2003《普通型平键》是中国关于普通型平键的技术规范标准。该标准规定了普通型平键的尺寸、公差、技术要求、检验方法、标志与包装等内容,适用于机械传动中连接轴与轮毂的普通型平键。平键作为机械传动中的重要连接件,其标准化对保证机械设备的互换性和可靠性具有重要意义。GBT1096-2003为平键的设计、制造和检验提供了统一的技术依据,有助于提高产品质量和生产效率。

国家标准GBT1096-2003《普通型平键》是中国关于普通型平键的技术规范标准。该标准规定了普通型平键的尺寸、公差、技术要求、检验方法、标志与包装等内容,适用于机械传动中连接轴与轮毂的普通型平键。平键作为机械传动中的重要连接件,其标准化对保证机械设备的互换性和可靠性具有重要意义。GBT1096-2003为平键的设计、制造和检验提供了统一的技术依据,有助于提高产品质量和生产效率。
