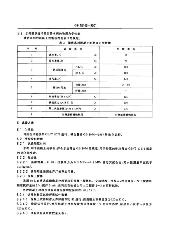
GB18445-2001《水泥基渗透结晶型防水涂料》是中国针对水泥基渗透结晶型防水涂料制定的国家标准。该标准规定了水泥基渗透结晶型防水涂料的分类、技术要求、试验方法、检验规则以及标志、包装、运输和贮存等方面的要求。水泥基渗透结晶型防水涂料是一种通过化学反应在混凝土内部形成不溶性结晶体的防水材料,能够有效提高混凝土结构的抗渗性和耐久性。该标准适用于建筑工程中使用的渗透结晶型防水涂料,确保其性能符合工程防水要求,保障建筑结构的长期防水效果。该标准的实施有助于规范市场,提高防水涂料的质量,促进建筑防水技术的进步。
