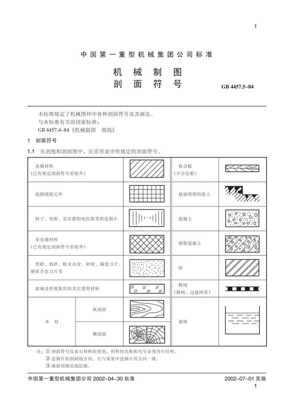
机械制图剖面符号是工程制图中用于表示物体被剖切后内部结构的图形符号。在机械制图中,为了清晰展示零件的内部形状和结构,通常采用剖视图的方式。剖面符号用于标识剖切面的位置和方向,帮助读图者理解剖视图的生成方式。常见的剖面符号包括剖切线、箭头和字母标注。剖切线通常用粗实线表示剖切位置,箭头表示投影方向,字母标注用于区分不同的剖视图。此外,剖面区域通常用规定的剖面线(如45度斜线)填充,以区别于未剖切部分。剖面符号的使用遵循国家标准(如中国的GB/T或国际ISO标准),确保图纸的规范性和通用性。掌握剖面符号的正确应用是机械设计和制图的基本技能之一。
