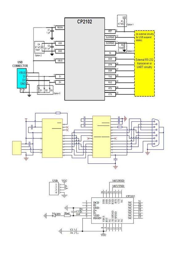
CP2102是一款由SiliconLabs公司推出的USB转UART桥接芯片,广泛应用于各种嵌入式系统和设备中。它通过USB接口实现与计算机的通信,并将其转换为UART信号,方便与微控制器或其他串口设备连接。CP2102具有集成度高、外围电路简单、兼容性强等特点,仅需少量外部元件(如晶振、电容等)即可工作,支持多种操作系统(如Windows、Linux、macOS等)。其典型应用包括工业控制、消费电子、通信设备等领域,为开发者提供了便捷的USB转串口解决方案。

CP2102是一款由SiliconLabs公司推出的USB转UART桥接芯片,广泛应用于各种嵌入式系统和设备中。它通过USB接口实现与计算机的通信,并将其转换为UART信号,方便与微控制器或其他串口设备连接。CP2102具有集成度高、外围电路简单、兼容性强等特点,仅需少量外部元件(如晶振、电容等)即可工作,支持多种操作系统(如Windows、Linux、macOS等)。其典型应用包括工业控制、消费电子、通信设备等领域,为开发者提供了便捷的USB转串口解决方案。

声明:资源收集自网络无法详细核验或存在错误,仅为个人学习参考使用,如侵犯您的权益,请联系我们处理。
不能下载?报告错误