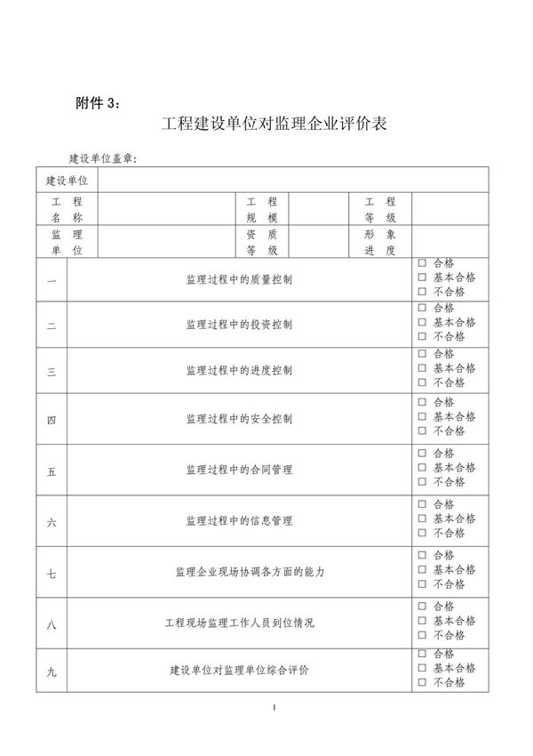
工程建设单位对监理企业评价表是用于工程建设单位对监理企业在项目实施过程中的工作表现进行全面评估的重要工具。该评价表旨在客观反映监理企业在工程质量、进度控制、安全管理、合同履行、沟通协调等方面的实际表现,帮助建设单位掌握监理工作的整体情况,并为后续合作提供参考依据。通过定期或项目结束时的评价,建设单位可以及时发现监理工作中的优点与不足,促进监理企业持续改进服务质量,提升项目管理水平,确保工程建设目标的顺利实现。评价结果也可作为监理企业绩效考核、合同续签或行业信用评价的重要参考。

工程建设单位对监理企业评价表是用于工程建设单位对监理企业在项目实施过程中的工作表现进行全面评估的重要工具。该评价表旨在客观反映监理企业在工程质量、进度控制、安全管理、合同履行、沟通协调等方面的实际表现,帮助建设单位掌握监理工作的整体情况,并为后续合作提供参考依据。通过定期或项目结束时的评价,建设单位可以及时发现监理工作中的优点与不足,促进监理企业持续改进服务质量,提升项目管理水平,确保工程建设目标的顺利实现。评价结果也可作为监理企业绩效考核、合同续签或行业信用评价的重要参考。

声明:资源收集自网络无法详细核验或存在错误,仅为个人学习参考使用,如侵犯您的权益,请联系我们处理。
不能下载?报告错误