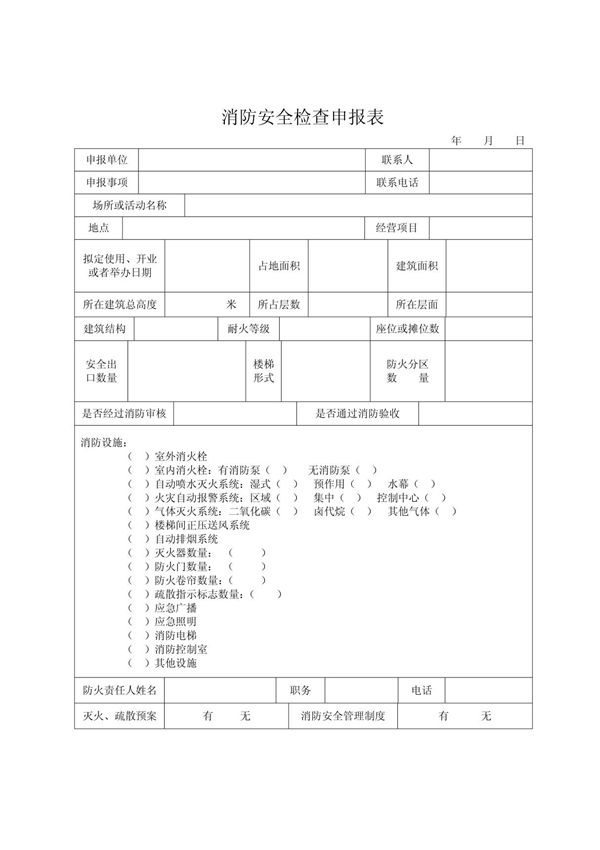
消防安全检查申报表(5)是用于向相关部门提交消防安全检查申请的重要文件。该表格主要用于记录和申报单位或场所的消防安全状况,确保符合国家及地方的消防安全法规要求。申报表通常包括单位基本信息、消防设施配置情况、安全管理制度等内容,旨在通过规范化的申报流程,及时发现和整改消防安全隐患,保障人员生命财产安全。填写时需如实提供相关信息,并按要求提交至消防部门进行审核。

消防安全检查申报表(5)是用于向相关部门提交消防安全检查申请的重要文件。该表格主要用于记录和申报单位或场所的消防安全状况,确保符合国家及地方的消防安全法规要求。申报表通常包括单位基本信息、消防设施配置情况、安全管理制度等内容,旨在通过规范化的申报流程,及时发现和整改消防安全隐患,保障人员生命财产安全。填写时需如实提供相关信息,并按要求提交至消防部门进行审核。

声明:资源收集自网络无法详细核验或存在错误,仅为个人学习参考使用,如侵犯您的权益,请联系我们处理。
不能下载?报告错误