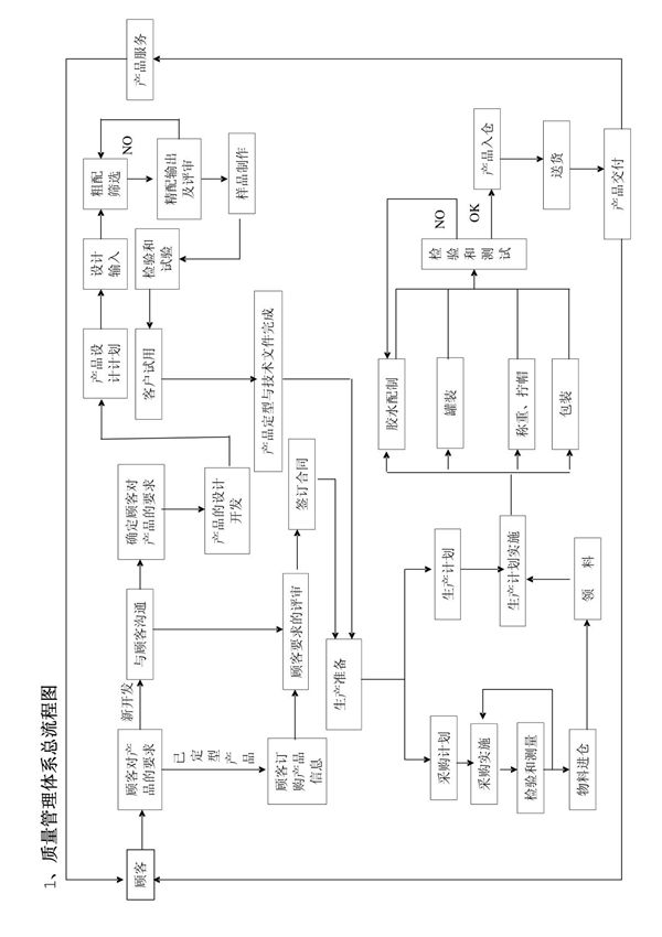
质量管理体系总流程图是对组织内部质量管理活动及其相互关系的系统化展示。它通过图形化的方式,清晰描述了从质量策划、质量控制到质量改进的全过程,以及各环节之间的逻辑顺序和信息流向。该流程图通常包括输入、过程活动、输出和反馈机制等关键要素,帮助组织识别质量管理的关键节点、潜在风险和改进机会。通过总流程图,组织可以更直观地理解质量管理体系的运行机制,确保各部门协调一致地实现质量目标,并为持续改进提供可视化参考依据。

质量管理体系总流程图是对组织内部质量管理活动及其相互关系的系统化展示。它通过图形化的方式,清晰描述了从质量策划、质量控制到质量改进的全过程,以及各环节之间的逻辑顺序和信息流向。该流程图通常包括输入、过程活动、输出和反馈机制等关键要素,帮助组织识别质量管理的关键节点、潜在风险和改进机会。通过总流程图,组织可以更直观地理解质量管理体系的运行机制,确保各部门协调一致地实现质量目标,并为持续改进提供可视化参考依据。

声明:资源收集自网络无法详细核验或存在错误,仅为个人学习参考使用,如侵犯您的权益,请联系我们处理。
不能下载?报告错误