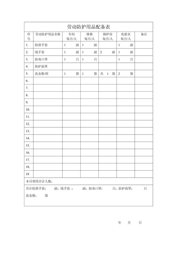
劳动防护用品配备表是企业或单位根据国家相关法律法规和行业标准,为确保员工在工作过程中的安全与健康而制定的重要文件。该表详细列出了不同岗位或工种所需的劳动防护用品类型、规格、数量及更换周期,旨在为员工提供必要的个人防护装备,有效预防和减少职业危害。通过科学合理的配备标准,企业可以规范劳动防护用品的管理,保障员工合法权益,同时提升安全生产水平。该表通常需结合具体工作环境、危害因素及岗位特点进行动态调整,并定期更新以确保其适用性。

劳动防护用品配备表是企业或单位根据国家相关法律法规和行业标准,为确保员工在工作过程中的安全与健康而制定的重要文件。该表详细列出了不同岗位或工种所需的劳动防护用品类型、规格、数量及更换周期,旨在为员工提供必要的个人防护装备,有效预防和减少职业危害。通过科学合理的配备标准,企业可以规范劳动防护用品的管理,保障员工合法权益,同时提升安全生产水平。该表通常需结合具体工作环境、危害因素及岗位特点进行动态调整,并定期更新以确保其适用性。

声明:资源收集自网络无法详细核验或存在错误,仅为个人学习参考使用,如侵犯您的权益,请联系我们处理。
不能下载?报告错误