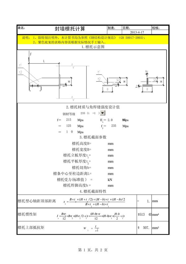
檩托板计算简介檩托板是建筑结构中用于连接檩条与屋架或墙梁的重要构件,其作用是传递荷载并确保结构稳定性。计算檩托板时需考虑以下关键因素:1.**荷载分析**:包括恒载(自重、屋面材料)、活载(雪载、风载)及地震作用,需按规范组合计算最不利工况。2.**材料选择**:通常采用Q235或Q345钢材,需验算抗弯、抗剪及承压强度。3.**连接设计**:螺栓或焊缝的布置需满足受力要求,避免应力集中。4.**构造要求**:符合《钢结构设计标准》(GB50017)等规范,确保防腐、防火措施。计算步骤通常包括:确定荷载→初选截面→验算强度与稳定性→节点设计→绘制详图。精确计算可借助专业软件(如PKPM、3D3S)辅助完成。
