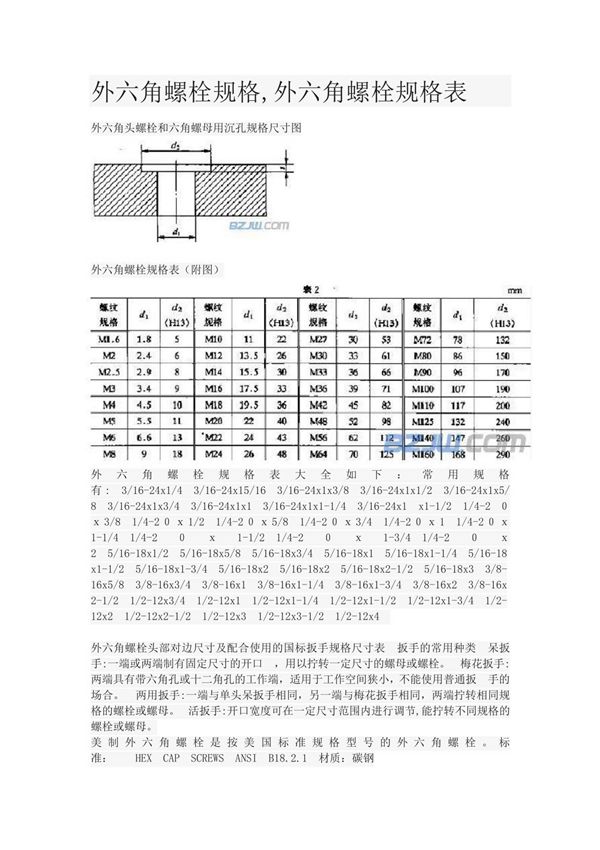
外六角螺栓是一种常见的紧固件,广泛应用于机械、建筑、汽车等行业。其头部为六角形设计,便于使用扳手或套筒工具进行安装和拆卸。外六角螺栓规格表通常包含以下关键参数:螺栓直径、螺距、长度、头部高度、对边宽度、材质等级以及表面处理方式等。通过规格表可以快速选择适合的螺栓型号,确保工程装配的准确性和可靠性。

外六角螺栓是一种常见的紧固件,广泛应用于机械、建筑、汽车等行业。其头部为六角形设计,便于使用扳手或套筒工具进行安装和拆卸。外六角螺栓规格表通常包含以下关键参数:螺栓直径、螺距、长度、头部高度、对边宽度、材质等级以及表面处理方式等。通过规格表可以快速选择适合的螺栓型号,确保工程装配的准确性和可靠性。

声明:资源收集自网络无法详细核验或存在错误,仅为个人学习参考使用,如侵犯您的权益,请联系我们处理。
不能下载?报告错误