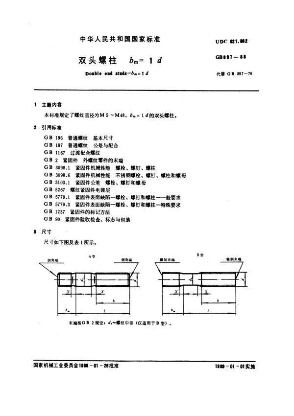
国家标准GB897-1988《双头螺柱bm=1d》是我国针对双头螺柱制定的技术规范标准。该标准规定了螺纹规格为bm=1d的双头螺柱的型式、尺寸、技术要求、试验方法、检验规则以及标志与包装等内容,适用于机械制造、设备安装等领域的连接与固定用途。本标准于1988年发布并实施,对双头螺柱的结构参数、材料性能、表面处理等提出了明确要求,以确保产品的互换性和可靠性。该标准在紧固件行业具有重要指导意义,为生产、检验和使用提供了统一的技术依据。如需获取标准全文或最新修订信息,建议查阅国家标准化管理委员会或相关权威机构发布的最新版本。
