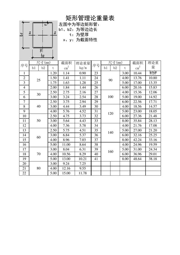
矩形钢管理论重量表是一种用于快速查询和计算矩形钢管重量的参考工具。该表通常包含不同规格(如边长、壁厚、长度等参数)的矩形钢管对应的理论重量数据,方便工程师、设计师和施工人员在材料选型、预算估算和结构设计时进行参考。通过查阅此表,用户可以避免复杂的计算过程,直接获取所需规格钢管的重量信息,提高工作效率。

矩形钢管理论重量表是一种用于快速查询和计算矩形钢管重量的参考工具。该表通常包含不同规格(如边长、壁厚、长度等参数)的矩形钢管对应的理论重量数据,方便工程师、设计师和施工人员在材料选型、预算估算和结构设计时进行参考。通过查阅此表,用户可以避免复杂的计算过程,直接获取所需规格钢管的重量信息,提高工作效率。
