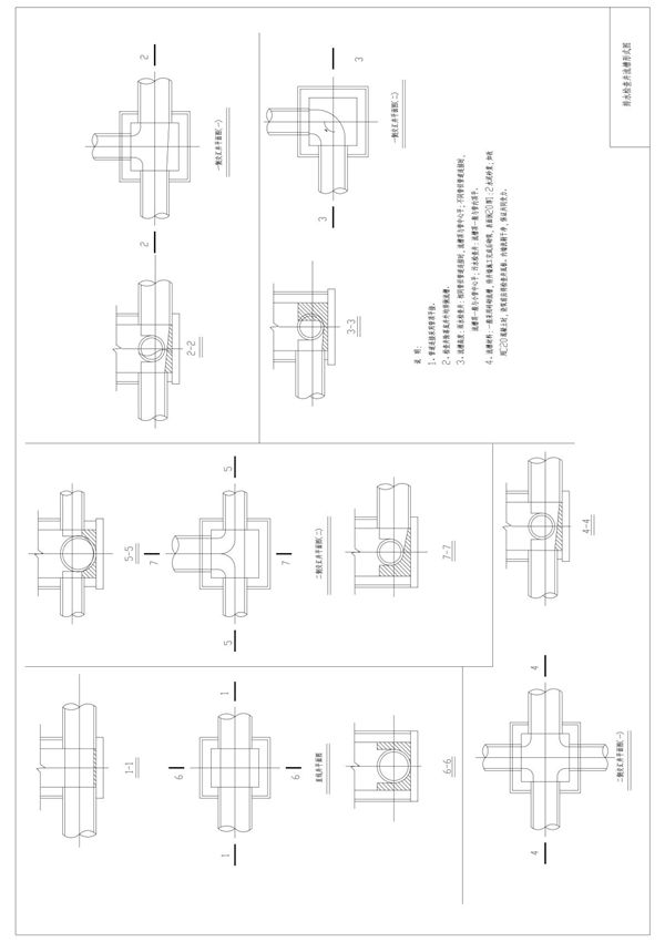
排水检查井流槽形式图是用于展示排水系统中检查井内部流槽结构的示意图。流槽是检查井内连接进出水管道的导流部分,其设计直接影响水流顺畅度和系统排水效率。该图通常包含流槽的平面布置、纵断面形状、尺寸标注以及与管道的连接方式等关键信息,为施工和验收提供直观参考。常见的流槽形式有直线形、弧形和折线形等,具体选择需根据管径、水流方向及现场条件确定。

排水检查井流槽形式图是用于展示排水系统中检查井内部流槽结构的示意图。流槽是检查井内连接进出水管道的导流部分,其设计直接影响水流顺畅度和系统排水效率。该图通常包含流槽的平面布置、纵断面形状、尺寸标注以及与管道的连接方式等关键信息,为施工和验收提供直观参考。常见的流槽形式有直线形、弧形和折线形等,具体选择需根据管径、水流方向及现场条件确定。

声明:资源收集自网络无法详细核验或存在错误,仅为个人学习参考使用,如侵犯您的权益,请联系我们处理。
不能下载?报告错误