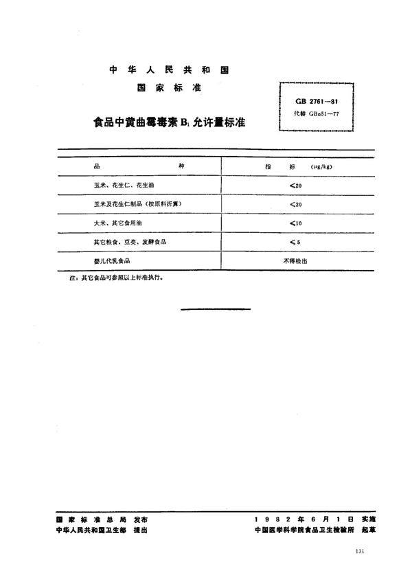
国家标准GB2761-1981《食品中黄曲霉毒素B1允许量标准》是我国针对食品中黄曲霉毒素B1污染制定的强制性标准。该标准规定了各类食品中黄曲霉毒素B1的最高允许限量,旨在控制食品中黄曲霉毒素B1的污染水平,保障食品安全和消费者健康。标准适用于粮食、食用油、调味品等各类食品的卫生监督和管理,是食品生产和流通领域的重要技术依据。该标准的实施对预防黄曲霉毒素B1引起的食品安全风险具有重要意义。

国家标准GB2761-1981《食品中黄曲霉毒素B1允许量标准》是我国针对食品中黄曲霉毒素B1污染制定的强制性标准。该标准规定了各类食品中黄曲霉毒素B1的最高允许限量,旨在控制食品中黄曲霉毒素B1的污染水平,保障食品安全和消费者健康。标准适用于粮食、食用油、调味品等各类食品的卫生监督和管理,是食品生产和流通领域的重要技术依据。该标准的实施对预防黄曲霉毒素B1引起的食品安全风险具有重要意义。

声明:资源收集自网络无法详细核验或存在错误,仅为个人学习参考使用,如侵犯您的权益,请联系我们处理。
不能下载?报告错误