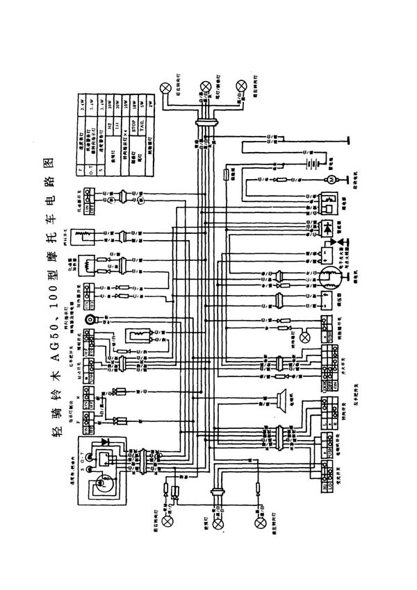
轻骑铃木AG50100型摩托车电路图是这款车型电气系统的详细示意图,展示了车辆各电气部件之间的连接方式和电流路径。电路图包含了点火系统、充电系统、照明系统、信号系统以及仪表盘等关键部件的线路布局,帮助维修人员快速诊断和解决电气故障。通过电路图,用户可以清晰了解保险丝、继电器、开关、传感器等元件的位置及其相互关系,确保维修和保养工作的准确性。该电路图是摩托车电气维修的重要参考资料,适用于专业技师和具备一定电气知识的摩托车爱好者。

轻骑铃木AG50100型摩托车电路图是这款车型电气系统的详细示意图,展示了车辆各电气部件之间的连接方式和电流路径。电路图包含了点火系统、充电系统、照明系统、信号系统以及仪表盘等关键部件的线路布局,帮助维修人员快速诊断和解决电气故障。通过电路图,用户可以清晰了解保险丝、继电器、开关、传感器等元件的位置及其相互关系,确保维修和保养工作的准确性。该电路图是摩托车电气维修的重要参考资料,适用于专业技师和具备一定电气知识的摩托车爱好者。

声明:资源收集自网络无法详细核验或存在错误,仅为个人学习参考使用,如侵犯您的权益,请联系我们处理。
不能下载?报告错误