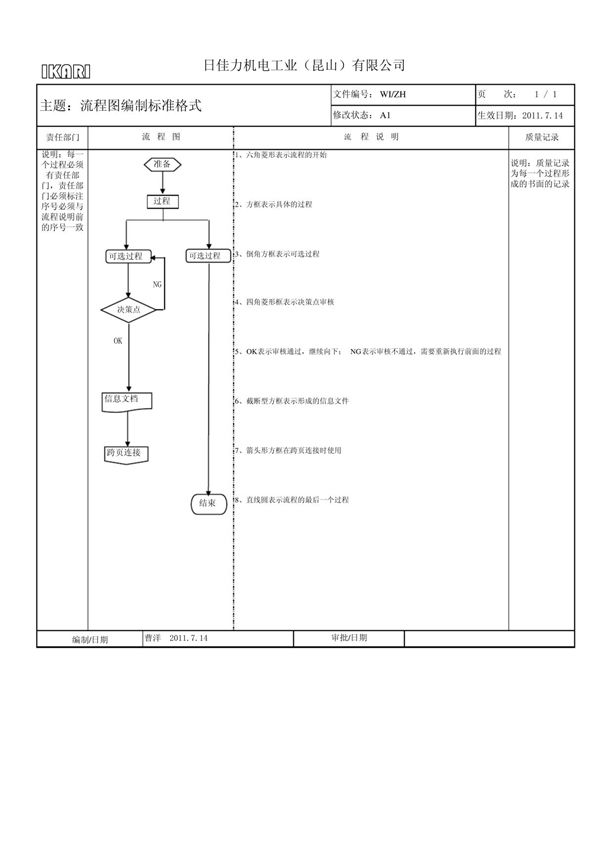
流程图标准格式简介流程图是一种用图形符号表示算法或工作流程的图示工具。它通过不同形状的框和箭头连接,展示步骤、决策点和流程方向。标准流程图格式通常包括以下要素:1.**图形符号**:-开始/结束:椭圆框-步骤/操作:矩形框-判断/决策:菱形框-输入/输出:平行四边形框-流程线:带箭头的直线2.**绘制规则**:-从上到下或从左到右排列步骤-每个符号内用简洁文字描述操作-箭头明确指示流程方向-复杂流程可拆分子流程3.**应用场景**:-程序设计-业务流程分析-质量管理-系统设计遵循标准格式可确保流程图清晰、易读且通用性强。
