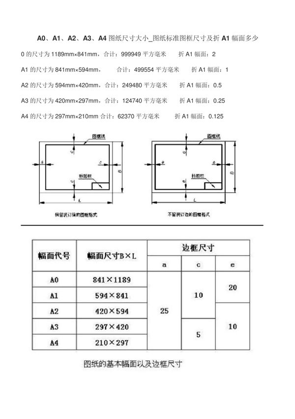
A0A1A2A3A4图纸尺寸大小如下:A0:841mm×1189mmA1:594mm×841mmA2:420mm×594mmA3:297mm×420mmA4:210mm×297mm标准图框尺寸通常在图幅四周留有装订边和非装订边。以A1幅面为例,标准图框尺寸为574mm×811mm(左右各留10mm,上下各留15mm)。折A1幅面是指将A1图纸折叠成A4大小以便装订和存档。折叠方法为先将A1图纸沿长边对折成A2大小,再沿新长边对折成A3大小,最后沿新长边对折成A4大小(210mm×297mm)。折叠时需确保标题栏位于最外侧以便查阅。简介:工程制图中常用的A系列图纸包括A0至A4等标准尺寸,其中A0最大,A4最小。标准图框尺寸在图幅内预留装订边距,确保图纸整洁规范。折A1幅面是将A1图纸按特定方式折叠成A4大小,便于归档和携带。这些标准统一了图纸管理,提高了工程设计的效率和规范性。
