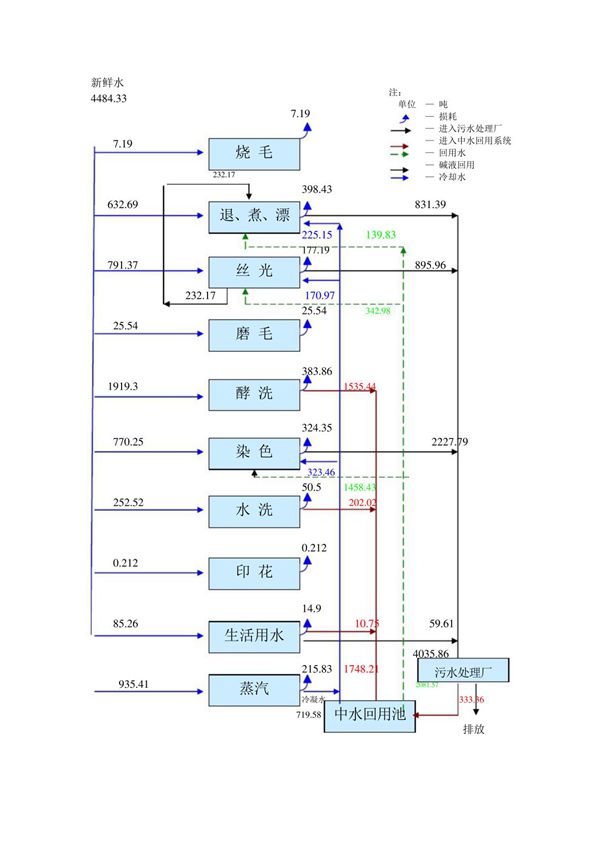
水平衡图是一种用于描述和分析某一系统或区域内水分输入、输出及储存变化的图表工具。它通过直观的图形展示水循环过程中各要素(如降水、蒸发、径流、地下水等)的动态关系,帮助研究人员和管理者理解水资源分布、利用及潜在问题。水平衡图广泛应用于水文研究、农业灌溉、城市规划及环境管理等领域,为水资源合理配置和可持续利用提供科学依据。

水平衡图是一种用于描述和分析某一系统或区域内水分输入、输出及储存变化的图表工具。它通过直观的图形展示水循环过程中各要素(如降水、蒸发、径流、地下水等)的动态关系,帮助研究人员和管理者理解水资源分布、利用及潜在问题。水平衡图广泛应用于水文研究、农业灌溉、城市规划及环境管理等领域,为水资源合理配置和可持续利用提供科学依据。
