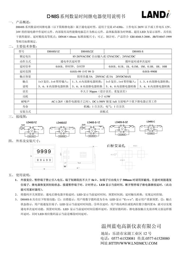
DH48S系列数显时间继电器是一款高性能、高精度的电子式时间控制设备,广泛应用于工业自动化、电力系统、机械设备等领域。该继电器采用先进的数字显示技术,具有操作简便、设定直观、精度高等特点,可满足多种时间控制需求。产品特点:-采用LED数码管显示,清晰直观,便于参数设定和状态监控。-提供多种时间控制模式,包括通电延时、断电延时、循环定时等,适应不同应用场景。-高精度计时,误差小,稳定性强,确保控制过程准确可靠。-结构紧凑,安装方便,支持面板安装或导轨安装,适用于各类电气控制柜。-具备抗干扰能力强、使用寿命长等优点,适合工业环境长期运行。本说明书详细介绍了DH48S系列数显时间继电器的功能特点、技术参数、接线方法、操作步骤及注意事项,帮助用户正确安装和使用,确保设备发挥最佳性能。
