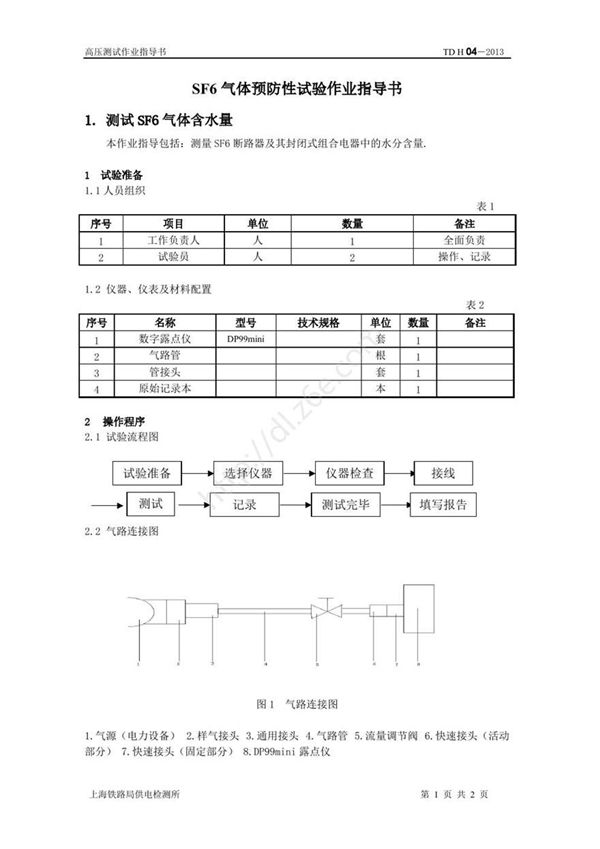
SF6气体预防性试验是确保六氟化硫绝缘设备安全可靠运行的重要措施。该试验主要包括气体成分分析、微水含量检测、气体泄漏检查以及耐压试验等项目,旨在及时发现气体劣化、水分超标或密封不良等问题,防止设备绝缘性能下降或故障发生。通过定期开展预防性试验,可以有效评估SF6气体的绝缘强度和灭弧能力,保障电力系统的稳定运行。

SF6气体预防性试验是确保六氟化硫绝缘设备安全可靠运行的重要措施。该试验主要包括气体成分分析、微水含量检测、气体泄漏检查以及耐压试验等项目,旨在及时发现气体劣化、水分超标或密封不良等问题,防止设备绝缘性能下降或故障发生。通过定期开展预防性试验,可以有效评估SF6气体的绝缘强度和灭弧能力,保障电力系统的稳定运行。

声明:资源收集自网络无法详细核验或存在错误,仅为个人学习参考使用,如侵犯您的权益,请联系我们处理。
不能下载?报告错误