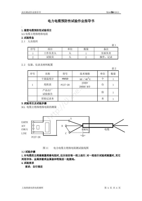
电力电缆预防性试验是电力系统中对电缆设备进行定期检测和维护的重要手段,旨在通过一系列电气试验及时发现电缆潜在缺陷和老化问题,评估其绝缘性能和运行状态,从而避免突发性故障,保障电网安全稳定运行。试验项目通常包括绝缘电阻测试、直流耐压试验、局部放电检测、介质损耗角正切值测量等,需严格按照规程周期开展,并结合历史数据对比分析,为电缆状态检修和寿命评估提供科学依据。

电力电缆预防性试验是电力系统中对电缆设备进行定期检测和维护的重要手段,旨在通过一系列电气试验及时发现电缆潜在缺陷和老化问题,评估其绝缘性能和运行状态,从而避免突发性故障,保障电网安全稳定运行。试验项目通常包括绝缘电阻测试、直流耐压试验、局部放电检测、介质损耗角正切值测量等,需严格按照规程周期开展,并结合历史数据对比分析,为电缆状态检修和寿命评估提供科学依据。

声明:资源收集自网络无法详细核验或存在错误,仅为个人学习参考使用,如侵犯您的权益,请联系我们处理。
不能下载?报告错误